Ročni visokodvižni viličar s premičnimi kovanimi vilicami
- prilagojen za prenos in dviganje standardnih EU palet in nestandardnih palet, zabojev ali drugih težkih predmetov
- enostaven za uporabo, ugodna cena, brez vzdrževanja, dobra alternativa električnim viličarjem
- nosilnost 500kg, 1000kg in 1500kg
- višina dviga 1600mm in 2500mm
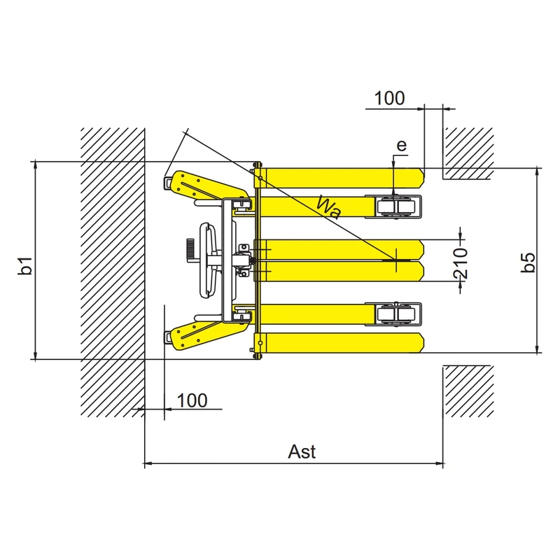
- nastavljiv obseg vilic 200-950mm
- dolžina vilic 800 ali 1060mm
- višina spuščenih vilic 90mm
- hitrost dviga na pritisk na pedala: modeli 500kg in 1000kg 25mm, model 1500kg 21mm
- polmer obračanja 1235mm
- viličar iz visoko kakovostnega jekla
- privarjene spodnje vilice
- najlonska kolesa
- integrirane parkirne zavore na zadnjih kolesih






